FG TS.BL 1gr 32757 A llure

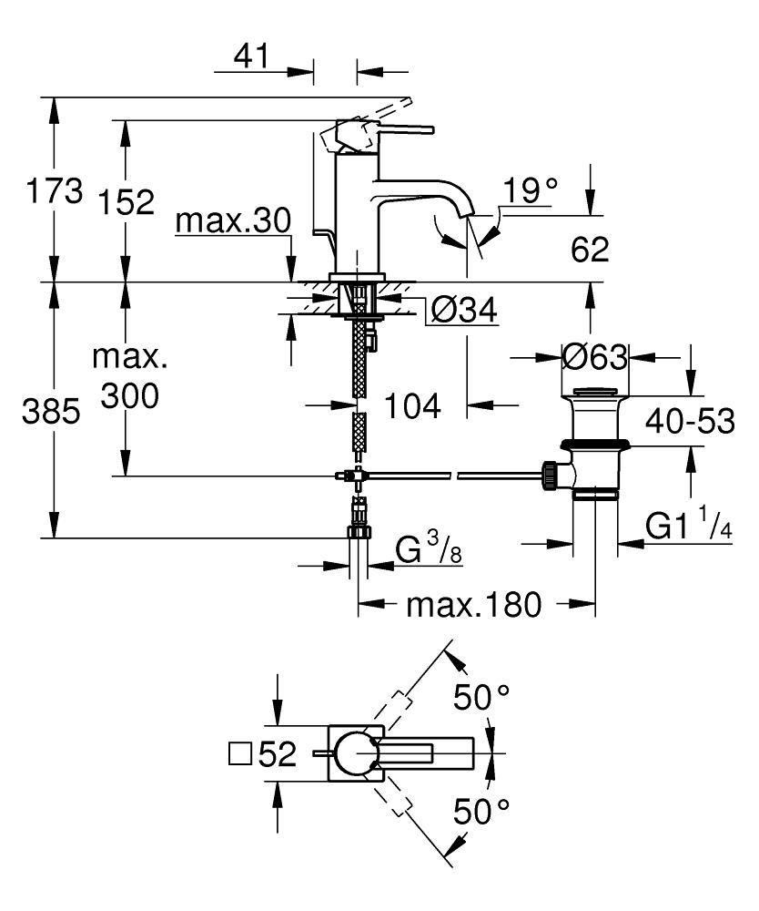
Zedra disklådsblandare ettgrepp DN 15 med etthålsmontage. Disklådsblandaren är försedd med utdragbar laminar-strålsamlare, inställbar flödesbegränsare, flödessil, GROHE SilkMove 46 keramisk insats, svängbar pip (vridningsområde 90 ˚) och backventil mot tillbakaflöde. Disklådsblandaren hålls enkelt ren tack vare den kromade GROHE StarLight-ytbehandlingen samtidigt som installationen är smidig tack vare de flexibla anslutningsslangarna. Lägsta rekommenderade vattentryck är 1,0 bar.
Info 1 Art nr Dok Info 2 Bruttopris inkl. moms
8236473
Dimension: G10
Funktion: ettgrepp
Färg: krom
Innehavare: GROHE A/S Danmark Filial
Leverantörens art.nr.: 32757000
Material: mässing, SoftPEX-rör
Utförande: med lyftventil
Varumärke: GROHE
Ytbehandling: förkromad
Övrig info: flexibel slang, invändig gänga