WAVE ECOJOY DIY TVÄT TSTÄLLSBLANDARE

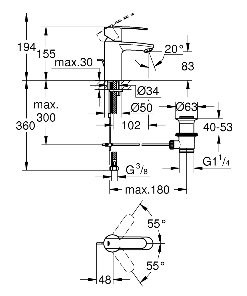
Wave Cosmopolitan tvättställsblandare ettgrepp, DN 15 i storlek S. Tvättställsblandaren är försedd med metallgrepp, GROHE SilkMove 35 mm keramikinsats och GROHE EcoJoy strålsamlare på 5,7 l/min. Flödesbegränsaren är inställningsbar med inställbart minimumflöde på 2,5 l/min och bottenventilen är på 1 1/4". Rengöringen är enkel tack vare den kromade GROHE StarLight-ytbehandlingen och SpeedClean antikalksystem. Installationen sker snabbt och smidigt genom etthålsmontage, flexibla anslutningsslangar och GROHE QuickFix. Temperaturbegränsare finns som tillval.
Info 1 Art nr Dok Info 2 Bruttopris inkl. moms
8236483
Funktion: ettgrepp
Färg: krom
Innehavare: GROHE A/S Danmark Filial
Leverantörens art.nr.: 23202000
Utförande: med bottenventil
Varumärke: Grohe
Ytbehandling: förkromad