EUROSTYLE SOLID ETTG REPP S TVÄTTSTÄLLSBL

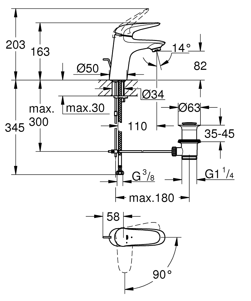
Eurostyle Tvättställsblandare ettgrepp, DN 15 S-Size etthålsmontage kraftigt metallgrepp GROHE SilkMove ES Kallstart 35 mm keramisk insats med energisparande funktion via kallstart inställbar flödesbegränsare med temperaturbegränsare GROHE StarLight kromyta GROHE EcoJoy® perlator 5,7 l/min GROHE QuickFix® snabbt installationssystem bottenventil 1 1/4" flexibla anslutningsslangar
Info 1 Art nr Dok Info 2 Bruttopris inkl. moms
8277716
Dimension: G15
Funktion: ettgrepp
Färg: krom
Innehavare: GROHE A/S Danmark Filial
Leverantörens art.nr.: 23709003
Material: mässing
Utförande: med bottenventil
Varumärke: Grohe
Övrig info: flexibla anslutningsslangar