ATRIO NEW ETTGR.UDV. DELE TV.ST.BL G15 C/110MM, 221

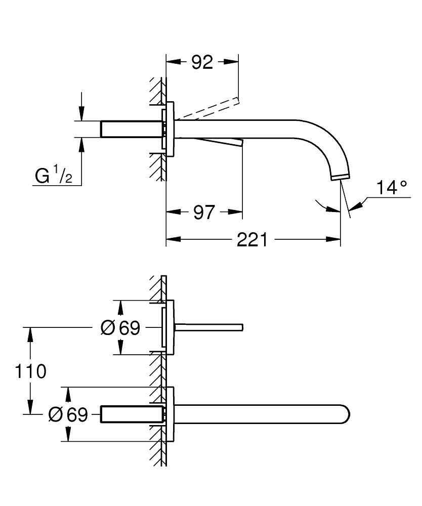
Atrio Tvättställsblandare, 2-håls joystick Väggmontage Utan inbyggnadsdel Montageset som krävs för installation: 23 429 000 GROHE FeatherControl Joystick insats GROHE StarLight kromyta GROHE EcoJoy 5.7 l/min laminär strålsamlare cc 110 mm
Info 1 Art nr Dok Info 2 Bruttopris inkl. moms
8278050
Dimension: G15
Funktion: ettgrepp
Färg: supersteel
Innehavare: GROHE A/S Danmark Filial
Leverantörens art.nr.: 19918DC3
Material: mässing
Storlek: c/110mm, 221mm pip
Tryck/Flöde/Temp: 5,7l/min vid 3 bar
Varumärke: Grohe