GROHE PLUS ETTGREPP TVÄTTSTÄLL G10 120MM PIP

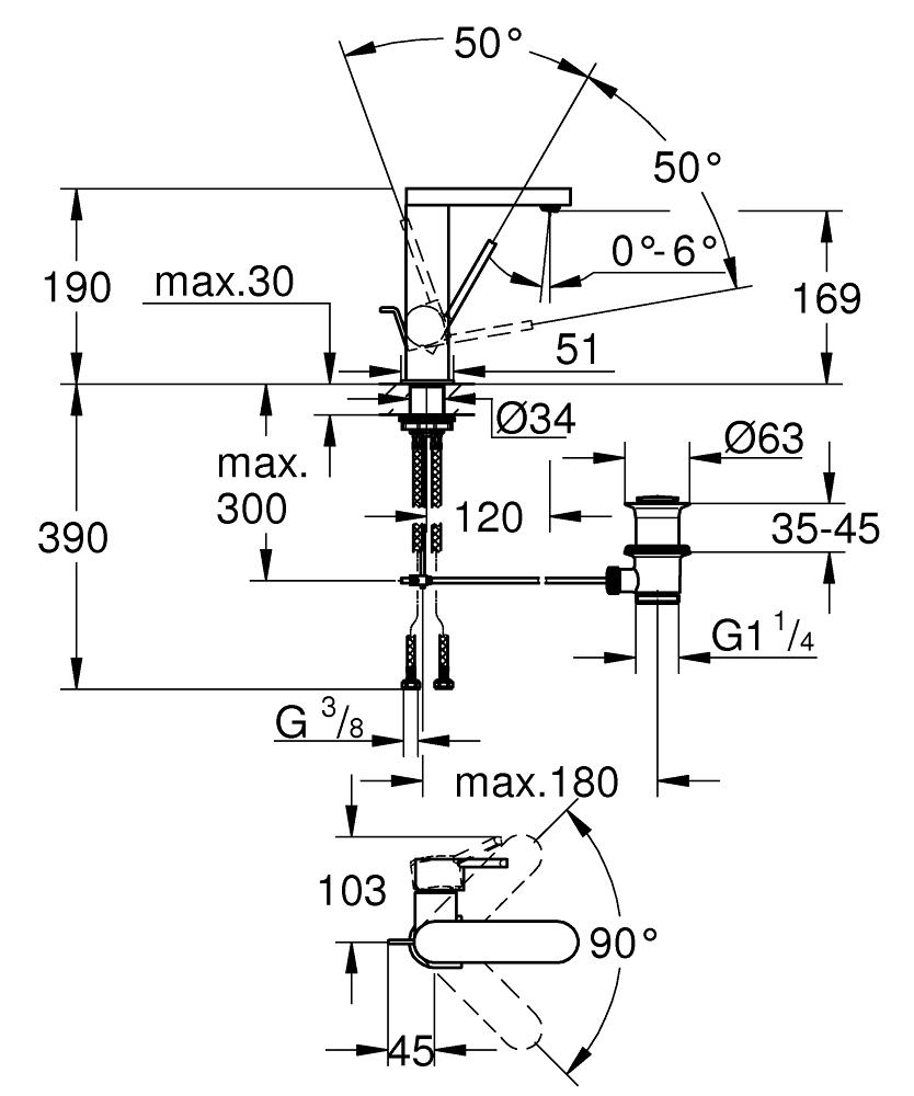
GROHE Plus Tvättställsblandare ettgrepp, DN 15 M-Size Etthålsmontage, Metallgrepp, GROHE SilkMove 28 mm keramisk insats, Med temperaturbegränsare, GROHE StarLight, GROHE EcoJoy SpeedClean strålsamlare 5,7 l/min, GROHE AquaGuide justerbar strålsamlare, GROHE QuickFix system för snabb montering, Svängbar pip med enkel dockning, svängradie 90°, Bottenventil 1 1/4", Flexibla anslutningsslangar
Info 1 Art nr Dok Info 2 Bruttopris inkl. moms
8278290
Dimension: G10
Funktion: ettgrepp
Färg: hård grafit
Innehavare: GROHE A/S Danmark Filial
Leverantörens art.nr.: 23871AL3
Material: Mässing
Storlek: 120mm pip
Utförande: med bottenventil
Varumärke: GROHE
Ytbehandling: borstad
Övrig info: flexibla anslutningsslangar