ALLURE NEW ETTGR TVÄ TTSTÄLL M G10

Allure, Tvättställsblandare ettgrepp, DN 15 M-Size, Hard Graphite, Etthålsmontage swivelling spout GROHE SilkMove 28 mm keramisk insats GROHE StarLight GROHE EcoJoy flödesbegränsare 5,7 l/min GROHE FastFixation Plus installationsystem GROHE AquaGuide adjustable slim air mousseur Bottenventil 1 1/4" Flexibla anslutningsslangar Temperaturbegränsare
Info 1 Art nr Dok Info 2 Bruttopris inkl. moms
8278943
Dimension: G10
Funktion: ettgrepp
Färg: grafit
Innehavare: GROHE A/S Danmark Filial
Leverantörens art.nr.: 32757A01
Material: mässing
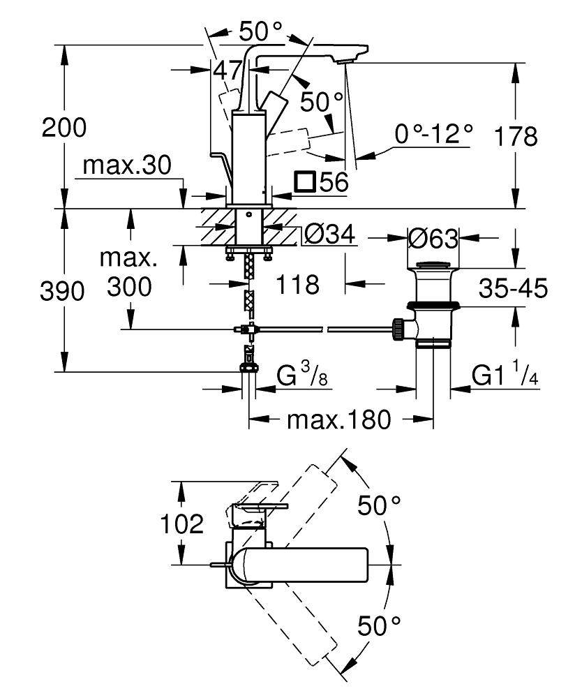
Storlek: 118mm pip/200mm hög
Tryck/Flöde/Temp: 5 l/min vid 3 bar
Varumärke: GROHE
Ytbehandling: borstad