STARTEDGE ETTGR. TVÄ TTSTÄLL L G10

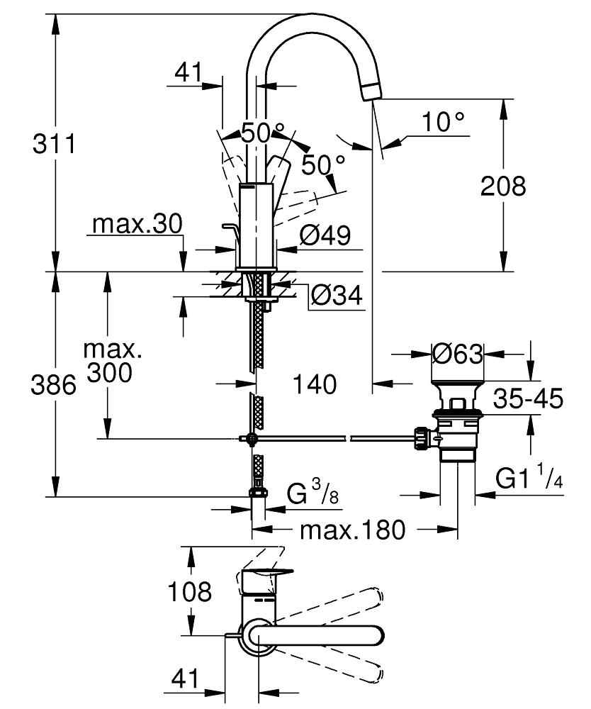
Start Edge, Tvättställsblandare ettgrepp ½" L-Size, Krom, Etthålsmontage Metallgrepp GROHE Longlife 28 mm keramikinsats Med temperaturbegränsare GROHE StarLight kromyta GROHE EcoJoy strålsamlare 5,7 l/min GROHE QuickFix system för snabb montering Svängbar pip Bottenventil i plast 1 ¼’’ Flexibla anslutningsslangar
Info 1 Art nr Dok Info 2 Bruttopris inkl. moms
8279036
Dimension: G10
Funktion: ettgrepp
Färg: krom
Innehavare: GROHE A/S Danmark Filial
Leverantörens art.nr.: 24201001
Material: mässing
Storlek: 311 mm hög/140mm pip
Tryck/Flöde/Temp: 5 l/min vid 3bar
Varumärke: GROHE
Ytbehandling: förkromad