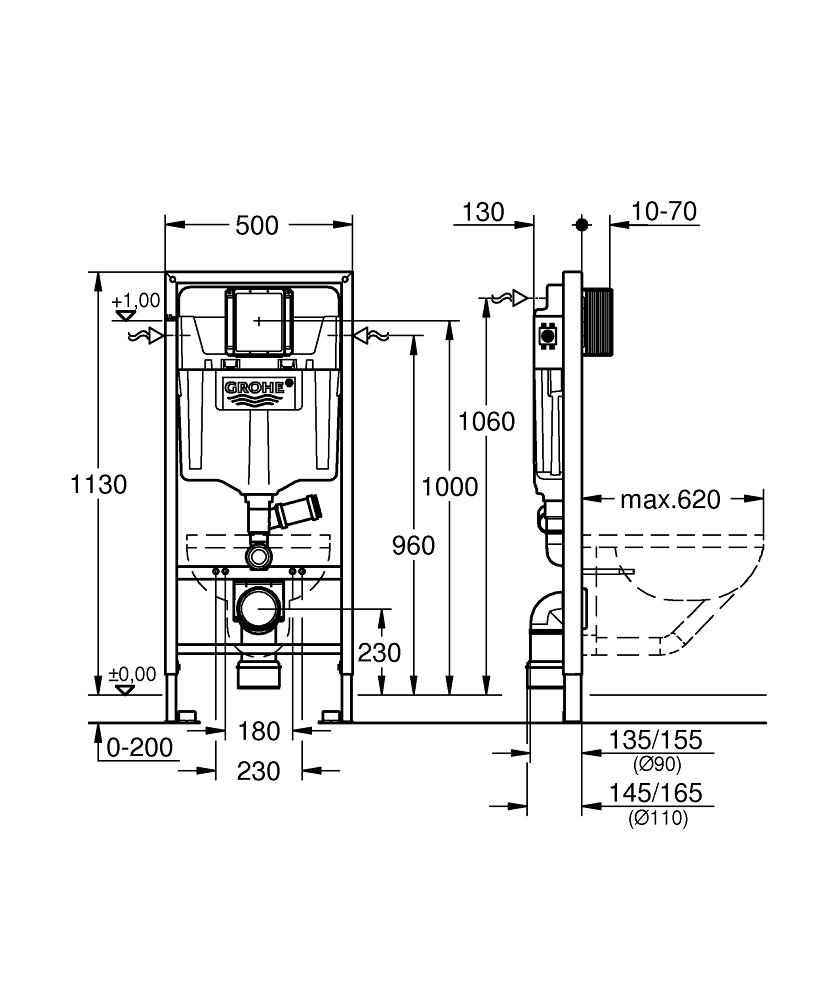
RAPID SL INBYGGNADSS YSTEM 6L, H=1130MM

Rapid SL Element for WC, 1.13 m installation height, with external odour extraction Cistern GD 2, med spolrör för extern luktutvinning, För- eller elementmontage, Stålramar, pulverlackerade, självbärande, För vävbeklädnad, fullt förmonterat, Fasta anslutningar, Snabb installation, Fästmaterial, TÜV-testad, 2 WC-bultar, Keramisk montering, WC-keramik med liten bäryta (< 205 mm) kräver extra tillbehör 38 779 000, Skruvavstånd 180/230 mm, Utloppsböj Ø 90 mm, Justerbart djup, Reducerare Ø 90/110 mm, Till- och avloppsarmatur,  , flushing cistern GD 2, 6 - 9 l, containing following features:, Fabriksinställd 6l och 3l, spolrör med anslutning för luktutvinning 50 mm, Pneumatisk avloppsventil med 3 funktioner: dubbelspolning, start & stopp eller enkel spolning, Förberedd för vattenanslutning ifrån vänster, höger eller uppifrån, Armaturgrupp l, under 20 dB i ljudnivå, Kondensisolerad, ½" vattenförsörjning samband med integrerade vinkelventil och tryck passar flexibel slangkoppling, Verktygsfri installation av inspektionsluckan och skyddet under byggtiden, För vertikal eller horisontell användning,  , För installation på väggen vänligen beställ väggvinkel 38 558 00M (säljes separat), För montering av små spolplattor vänligen beställ inspektionsschakt 40 911 000 (säljs separat), Kräver skandinavisk adapter 38 338 000
Info 1 Art nr Dok Info 2 Bruttopris inkl. moms
8098037
Funktion: för väggmonterad WC-stol
Färg: blå
Innehavare: GROHE A/S Danmark Filial
Leverantörens art.nr.: 39002000
Material: rostfritt stål
Storlek: 6l, H=1130mm
Utförande: enkel- eller skenmontage
Varumärke: GROHE
Ytbehandling: pulverlackerad