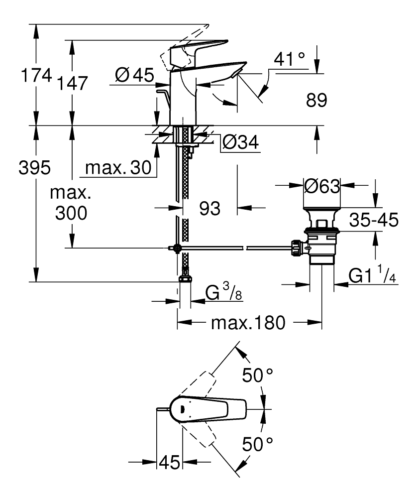
BAUEDGE ETTGREPP TVÄ TTSTÄLL S G10 93MMPIP

BauEdge, Tvättställsblandare ettgrepp, DN 15 S-Size, med energiklass A, Etthålsmontage, GROHE Longlife 28 mm keramikinsats, Med temperaturbegränsare, GROHE StarLight kromyta, GROHE Zero isolerade inre vattenvägar – bly- och nickelfri, GROHE EcoJoy strålsamlare 5,7 l/min, GROHE QuickFix system för snabb montering, Bottenventil i plast 1 ¼’’, Flexibla anslutningsslangar
Info 1 Art nr Dok Info 2 Bruttopris inkl. moms
8278351
Dimension: G10
Funktion: ettgrepp
Färg: krom
Innehavare: GROHE A/S Danmark Filial
Leverantörens art.nr.: 23328001
Material: Gjutet zink
Storlek: 93mmpip
Utförande: med bottenventil
Varumärke: GROHE
Ytbehandling: förkromad
Övrig info: Flexibla anslutningsslangar