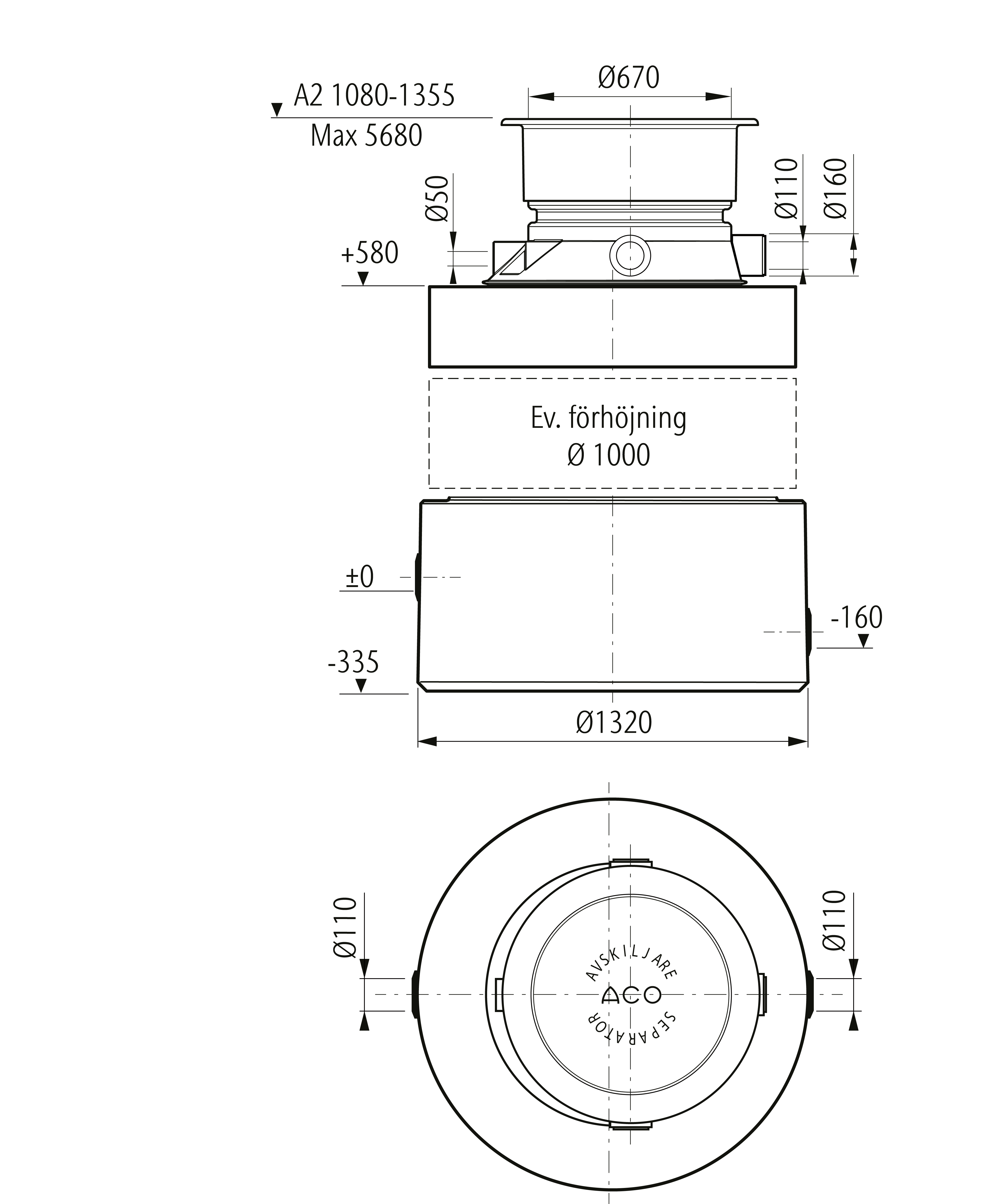
ACO PROWELL C 160-11 0 A2 PROVTAGNINGSBRUNN DN100

Provtagningsbrunn i betong bestående av underdel, täckplatta, förhöjningshals och betäckning. Installeras på markförlagd ledning efter olje- och fettavskiljare eller i annat sammanhang där provtagning behövs. Provtagning sker i fristråle. Inbyggt stalp på 160 mm. Betäckningen är körbar i klass D400. Enheten behöver inte skyddas med belastningsskydd. Brunnen kan även användas som tillsyns- och nedstigningsbrunn.
Info 1 Art nr Dok Info 2 Bruttopris inkl. moms
5547547
Dimension: DN100
Funktion: för provtagning i fristråle
Färg: betong
Innehavare: ACO Nordic AB
Leverantörens art.nr.: 725010_2
Material: betong
Utförande: inbyggt stalp, 160 mm
Varumärke: ACO