MIRI FETTAVSKILJ. FL EX S 2

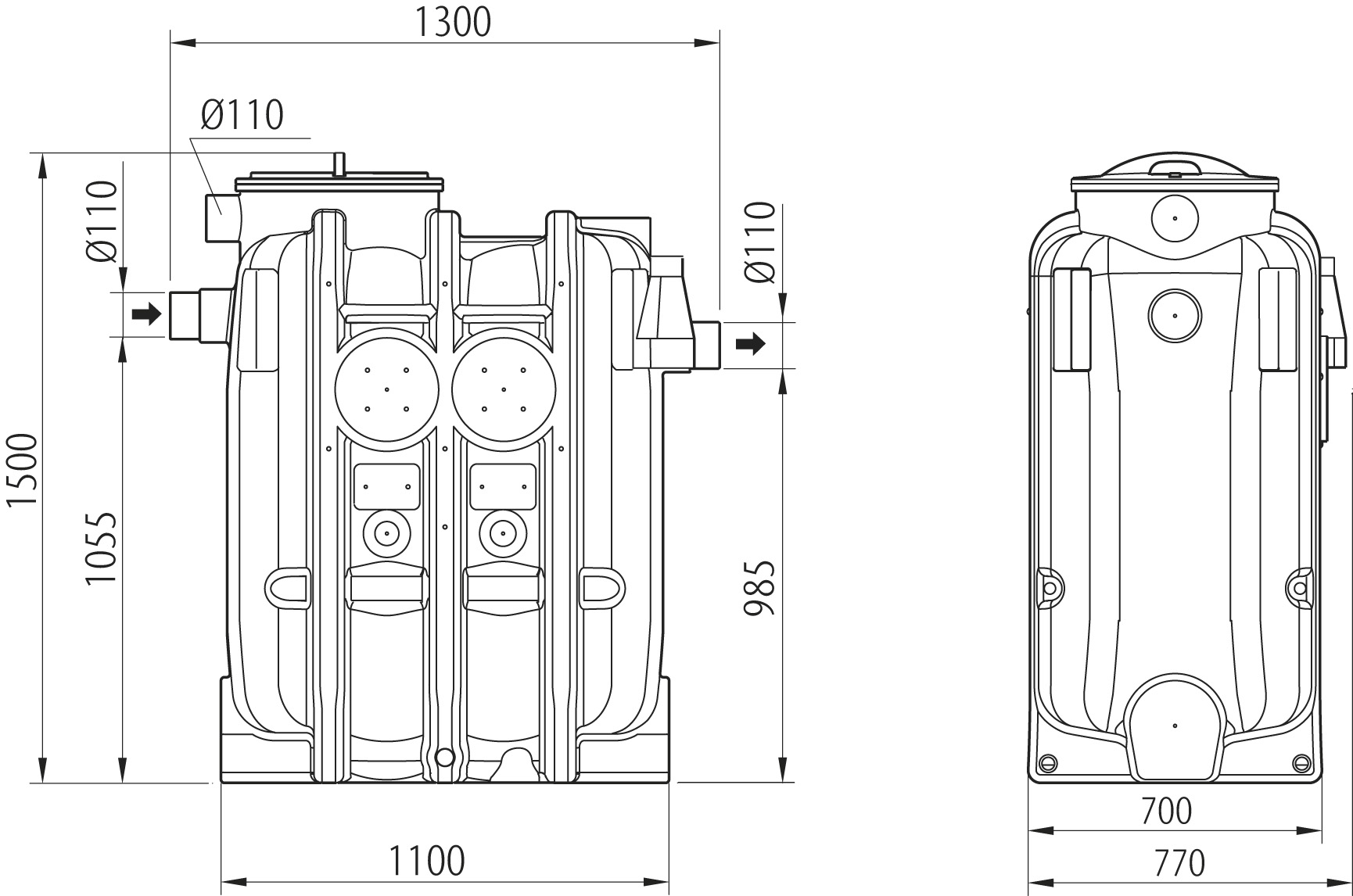
Fettavskiljare ACO LipuJet P-OB är konstruerad enligt SS-EN 1825-1 för behandling av fetthaltigt avloppsvatten från livsmedelsindustrier, restauranger, storkök, bagerier etc. Avskiljaren är avsedd för tömning via slang som förs ner i halsarna. Halsarna, som även är avsedda för inspektion och rengöring, är försedda med lukttäta lock med snabblås. ACO LipuJet P-OB har integrerat slamfång. Små byggmått och låg vikt underlättar installation i trånga utrymmen. Tankens inneryta har blank finish, vilket förenklar rengöringen. fettavskiljaren är konstruerad för temperaturer upp till 40 °C, temporärt 50 °C. Vid temperatur över 38 grader i fettavskiljaren blir avskiljningen mycket sämre, ca 80 % av effekten försvinner. ACO LipuJet P-OB serien omfattar nominella storlekar NS1-NS10. Avskiljaren skall installeras inomhus i frostfritt utrymme med möjlighet till enkel åtkomst.
Info 1 Art nr Dok Info 2 Bruttopris inkl. moms
5618021
Funktion: för inomhusinstallation
Innehavare: ACO Nordic AB
Leverantörens art.nr.: 0170.19.28
Material: polyeten
Varumärke: ACO